2100 Series Connector Cover for Min-D Series (Side Entry)
Product #: 2101-2-L
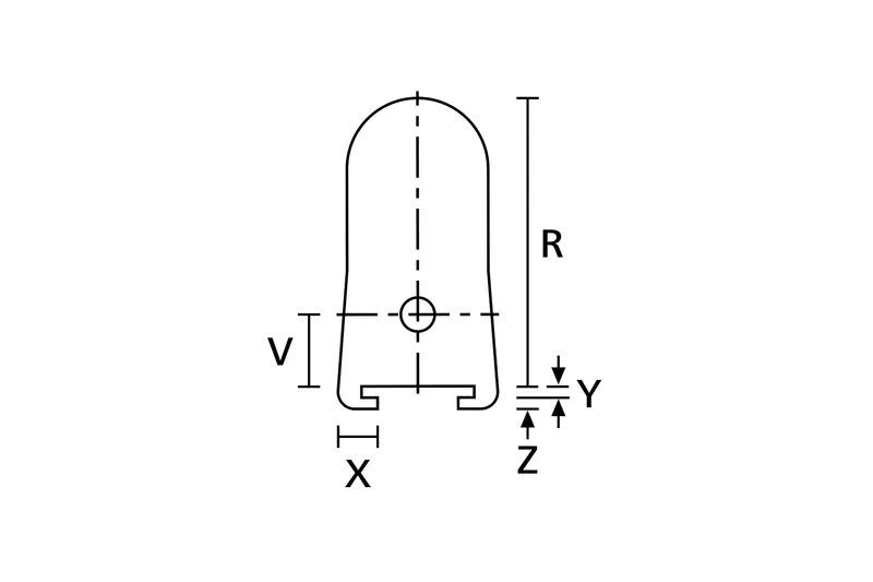
Connector Cover for MIN-D Series With 90º EntryThis style provides strain relief and mechanical protection.Dimensions apply to all materials unless otherwise indicated and are in inches.PLEASE NOTE: When ordering parts with L material, the modification # changes, due to expansion detail changes. Please consult main office for correct call-out.
Specifications
| Type | With Lips |
| Expanded (Min) H | 0.63 |
| Expanded (Min) J | 0.63 |
| Expanded (Min) K | 0.63 |
| Recovered (Max) H | 0.80 |
| Recovered (Max) J | 0.42 |
| Recovered (Max) K | 0.16 |
| Material | Flexible Flame Retarded Fluro-Elastomer |
| Specification | MIL-1-81765/4 |
| Adhesive Options | 1 Part Epoxy 200ºC |
| General Purpose Hot Melt +80ºC | |
| High Performance Hot Melt +105ºC | |
| None |
Recovered Dimensions Fully Shrunk
| S ±10% | 0.60 |
| P ±10% | 1.02 |
| R ±10% | 0.85 |
| X ±10% | 0.12 |
| W ±20% | 0.04 |
| Connector Size No. of Ways | 9 |
Application
| Applications | Heat shrinkable molded shapes combine the advantages of quick, easy installation, with high electrical strength, mechanical toughness and superior chemical & environmental resistance. These products offer important functional and cost saving benefits for electrical and electronic applications ranging from insulation & protection of individual components to fabrication of complete inter-connecting cable harness assemblies. |
| The use of our heat shrink molded shapes in conjunction with our specialized heat shrink tubing products make it easy to fabricate completely sealed wire/cable harnessing & inter-connection systems of the highest quality. Heat shrink shapes are available with a wide range of high performance adhesives/encapsulates to ensure the proper amount of strain relief, mechanical support and environmental protection. |
Technical Capabilities
| Note | Besides our abilities to make custom parts and compounds, we have a full service support team that can assist you from concept to design and production. Allow use to use our considerable knowledge to make your requirements possible. |
Inventory
| Note | Our vast inventory includes three stocking locations of standard products. Off the shelf products include many different compound types and pre-installed adhesives. Because of our supplier partnering relationships, we are able to carry and manage any special inventory items you may need. |