2000 Series Right Angle Cross Heatshrink Shapes
Heat Shrink Cross Boots
Products
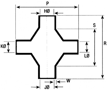
| Item # | Expanded (Min) H | Expanded (Min) J | P ±10% | R ±10% | Material |
|---|---|---|---|---|---|
| 2003-1-B7 | 0.76 | 0.76 | 1.50 | 1.50 | Semi-Rigid Flame Retarded Polyolefin |
| 2003-1-G | 0.76 | 0.76 | 1.50 | 1.50 | Fluid Resistant Flame Retarded Elastomer |
| 2003-1-H | 0.76 | 0.76 | 1.50 | 1.50 | Flexible Zero-Hal Limited Fire Hazard Material |
| 2003-1-J | 0.76 | 0.76 | 1.50 | 1.50 | Flexible Flame Retarded Polyolefin |
| 2003-1-L | 0.76 | 0.76 | 1.50 | 1.50 | Flexible Flame Retarded Fluro-Elastomer |
Visit the FDH Electronics online store and create an account for special pricing.